КОМПЛЕКТАЦИЯ
Подвеска всех Mercedes-Benz обладает великолепной плавностью хода. Однако, 190-й — это первый Mercedes, который оснастили независимой пятирычажной задней подвеской, позволившей достичь высокой комфортабельности езды и хорошей устойчивости при прохождении поворотов, так что во время поездки у водителя и его пассажиров создается обманчивое впечатление, что не так уж плохи наши дороги, как их малюют.
Концерн Daimler-Benz всегда прилагал максимум усилий по исправлению этих недостатков, свойственных классической компоновке, и в результате обширных исследований оснастил серию W201 сложной пятирычажной независимой задней подвеской и
Рулевое управление
Mercedes 190 обеспечивает высокую точность управления и отсутствие ударных нагрузок, передающихся на руль при проезде неровностей. Кроме того, большинство модификаций оснащено гидроусилителем. Правда, со временем в рулевом механизме появляется люфт, который можно на некоторое время устранить с помощью регулировочного винта. В среднем рулевой механизм способен прослужить до 250 тыс. км.
Первоначально 190-й комплектовали только 2,0-литровыми четырехцилиндровыми бензиновыми двигателями М102.921 (90-сильный карбюраторный) — модель 190, а также М102.961 (122-сильный инжекторный) — модель 190Е. Эти агрегаты предлагали с 5-ступенчатой механической КП или 4-диапазонным «автоматом».
В сентябре 1983 года на Франкфуртском автосалоне состоялась премьера модели 190D с 2,0-литровым 75-сильным экономичным дизелем ОМ601.911, которая сразу стала популярна у таксистов. А скоростным авто конкурента BMW противопоставили заряженную версию 190Е 2.3-16V с экспрессивным 185-сильным 16-клапанным мотором М102.983, разгоняющим полуторатонный спортивный седан до 225 км/ч и позволяющим стокилометровый барьер брать за 7,5 с.
Именно на этой машине летом 1983 г. был поставлен мировой рекорд на кольцевой трассе в Нардо. Эту версию отличают развитые аэродинамичные бамперы и пороги, спойлер на крышке багажника, низкопрофильные шины 205/55 ZR15 и более строгая, без деревянных вставок отделка салона. Динамические качества моделей Mercedes-Benz хорошо всем известны, но нельзя забывать об их склонности к излишнему сносу задней оси при прохождении виражей на скользкой дороге и непрямолинейному выбегу.
Мерседес-АМГ Тип 201
| Мерседес-AMG 190 W201 | |
| 190 Эволюция I | |
| Также называемый | 190 E 2.5-16 Evolution ; 190 E 2.5-16 Evolution II ; 190 E 3,2 AMG |
|---|---|
| отметка | Мерседес Бенц |
| Годы производства | / / |
| Производство | 1004 элемент (ы) |
| Класс | |
| Сборочный завод (а) | Бремен ; Зиндельфинген |
| Двигатель и трансмиссия | |
| Энергия | Бензин |
| Мотор (ы) | М 102 (L4); M 103 (L6) |
| Положение двигателя | Продольный перед |
| Смещение | 2463 и 3206 см 3 |
| Максимальная мощность | От 195 до 235 DIN л.с. (от 143 до 173 кВт ) |
| Максимальный крутящий момент | От 235 до 305 Нм |
| Передача инфекции | Движение |
| Коробка передач | 4 или 5 МКПП |
| Шасси — Кузов | |
| Тело (а) | |
| Коэффициент лобового сопротивления | 0,33 |
| Подвески | Спереди: Сзади: гидравлический; двойная триангуляция; винтовые пружины |
| Направление | Гидравлическая стойка |
| Тормоза | Гидравлический диск |
| Габаритные размеры | |
| Длина | От 4420 до 4448 мм |
| Ширина | От 1678 до 1690 мм |
| Высота | От 1375 до 1390 мм |
| Колесная база | 2665 мм |
| Хронология моделей | |
Задняя часть EVO II.
Дополнительные элементы
Реле топливного насоса (К27)
Расположение
Обозначение
- 11 – кроме 124.034, 124.036
- 12 – под задним сидением (модели; 124.034 (E420), 124.036 (E500))
- N6 – Блок управления компрессором кондиционера
- N30 – Блок управления ABS
Прочие элементы
Схема
Назначение
- K11/1 – Реле левого подголовника
- K11/2 – Реле правого подголовника
- K12/1 – Прерывистый таймер заднего стеклоочистителя
- N13 – Реле защиты двигателя от перегрузок/круиз-контроль
- N14 – Реле свечей накала
- N28 – Блок управления прицепом
У нас на канале мы так же подготовили видео по данной статье. Смотрите и подписывайтесь.
Есть что добавить – пишите в комментарии.
Исторический
Модель 190 знаменует собой переход к новому поколению автомобилей Daimler-Benz.
- Декабрь 1982 г. : официальная презентация и запуск модели.
- 1988 : запуск фазы II .
- 1989 : выпуск EVO I версии .
- Март 1990 г. : выпуск версии EVO II .
- конец 1992 года : выпуск специальной серии 190 E Azzurro , предназначенной только для французского рынка.
- 1993 : выпуск специальной серии Avantgarde Azzurro , Rosso и Verde .
- 13 апреля 1993 г. : окончание производства и сбыта.
Бруно Сакко , автомобильный дизайнер 190-го.
- До 190 г.
В 1981 году Mercedes-Benz создал Auto 2000 ; разработан для испытаний с низким энергопотреблением на новых 4 полосах движения и автомагистралях, которые должны были быть спроектированы в то время.
- Запуск
В ноябре 1982 года впервые появился этот небольшой седан с внутренним кодом W201. Как и его старшие сестры, это модель с задним приводом и одна из немногих Mercedes-Benz, у которых стояночный тормоз устанавливается между сиденьями. Его задняя ось многорычажная , что придает ей динамичность.
На момент запуска было доступно два бензиновых двигателя: 2- литровый 90-сильный карбюраторный для 190 и 2- литровый инжекторный 122 л.с. для 190E. Их выпущено более 630 000 единиц.
- Преемственность
В 1993 году 190 будет заменен на C-Класс с внутренним кодом W202 .
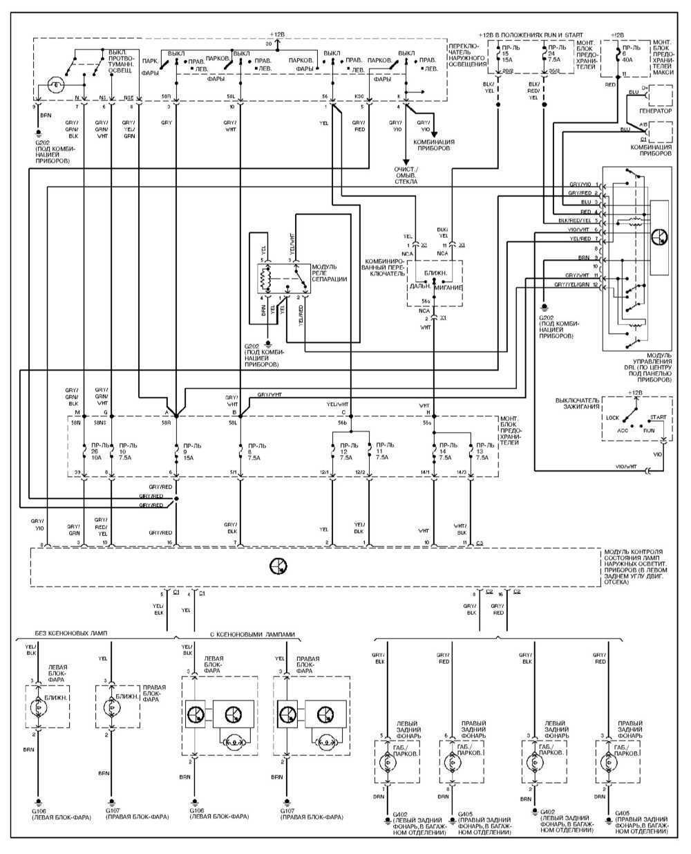
11.13. Принципиальные схемы электрооборудования
В начале впрыска ток достигает Затем величина тока падает до уровня «тока удержания» —
Тому, кто хочет получить полный комплект схем, можно посоветовать обратиться в фирму по продаже автомобилей Mercedes и заказать комплект.
В табл.
Для обозначения деталей использованы принятые символы, при этом положение всех выключателей и контактов показано для неподвижного закрытого автомобиля с включенным стояночным тормозом. Фрагмент на рис.
13. Электрические схемы
Начиная с 20 листа и по 25 включительно к каждой схеме даны обозначения и наименование изображенных электроприборов. И наоборот если при этом звук работы двигателя становится «жестче», с датчиком все в порядке.
Таблица 1. В качестве примера в табл.
Во время основного впрыска длительность управляющего сигнала увеличивается пропорционально нагрузке на двигатель см. Недостаток этих схем — необходимость постоянно листать страницы для поиска необходимого промежуточного соединения. Для обозначения деталей использованы принятые символы, при этом положение всех выключателей и контактов показано для неподвижного закрытого автомобиля с включенным стояночным тормозом. Подвод тока. Следующее далее цифровое обозначение позволяет по таблице определить, где данное соединение размещено в автомобиле.
Затем величина тока падает до уровня «тока удержания» — Подвод тока. Продолжение Контрольные значения уровня непрозрачности ОГ должны быть в пределах
Учимся читать электросхему автомобиля. Часть 1. Автоэлектрика.
Первый вариант (декабрь 1982 — август 1988)
Презентация новой модели состоялась 8 декабря 1982 года. Покупателем были предложены всего две модели — 190 и 190E. Первая с 2х литровым карбюраторным двигателем M102 мощностью 90 л.с., вторая — с тем же двигателем, но со впрыском топлива (буква Е до 1993 года обозначала наличие впрыска) мощностью 122 л.с. Эти двигатели уже использовались в W123.
На франкфуртской выставке IAA, проходившей с 17 по 27 марта 1983 года, публике были представлены новые модификации W201 — 190D с дизельным атмосферным двигателем и спортивной модели 190E 2.3-16, отличавшейся иным дизайном — спойлер сзади, литые диски, иные бампера и широкие молдинги. Как следовало из обозначения модели, двигатель имел по 4 клапана на цилиндр. Не забыли и о спортивной подвеске и сидениях с усиленной боковой поддержкой.
С 13 по 21 августа 1983 года на трассе в Нардо (Италия) на серийном 190E 2.3-16 было поставлено несколько мировых рекордов скорости. 50.000 км 190E 2.3-16 преодолел за 201 час 39 мин. и 43 сек., были также зафиксированы рекорды на 25.000 км и 25.000 миль.
В мае 1985 публике представили еще одну модификацию — 190D 2.5 с пятицилиндровым атмосферным дизельным мотором.
В сентябре 1985 года, на выставке IAA были представлены более мощные бензиновые модификации 190E 2.3 с четырехцилиндровым мотором и 190E 2.6 с рядной шестеркой. Надо сказать, что с появлением этих модификаций начались поставки 190-го в северную Америку (двигатели меньшего обьема там просто не восприняли бы).
Кроме того, на W201 стали устанавливать новый стеклоочиститель сложной конструкции, аналогичный таковому на недавно появившемся W124, а также две форсунки омывателя лобового стекла вместо одного.
Предохранители и реле Mercedes 190 (W201)
Рассмотрены автомобили Mercedes 190 (W201) 1984, 1985, 1986, 1987, 1989, 1990, 1991, 1992, 1993 года выпуска.
Блок предохранителей в моторном отсеке.

схема расположения предохранителей и реле в блоке.

| Номер | Номинал | Назначение |
|---|---|---|
| 1 | 16А | Дополнительный вентилятор и кондиционер, управление сцеплением компрессора (дизельные двигатели) |
| 2 | 8А |
Форсунки с подогревом Автоматическая коробка передач
Карбюратор (реле подогрева впускного коллектора, обмотка) Вентилятор отопителя, реле включения дополнительного вентилятора кондиционера
3 16А Вентилятор отопителя
4 8А Правая фара дальнего света
5 8А Левая фара дальнего света
6 16А Обогрев заднего стекла
7 16А Стеклоподъемник передний правый, задний левый
8 16А Стеклоподъемник передний левый, задний правый
9 8А Антиблокировочная тормозная система (1985-86), стоп-сигналы, круиз-контроль, датчики и предупреждающие индикаторы, фонари заднего хода
10 8А
Вентилятор и часы,, круиз-контроль, подогрев сидений (при наличии: 16А), ортопедическое сиденье и тахометр, стеклоочиститель / омыватель, система рециркуляции выхлопных газов и трансмиссии (дизельные двигатели)
Противоугонная система, вспомогательный вентилятор/вентилятор системы охлаждения, круиз-контроль, электронная система управления двигателем, подогрев сидений, ортопедические сидения, внешние зеркала заднего вида с обогревом, электропривод правого наружного зеркала, тахометр, стеклоочиститель и омыватель, обогрев жиклеров стеклоомывателя, датчик внешней температуры
Освещение салона и сиденья с электроприводом
Противоугонная система, антенна, задний плафон освещения салона, центральный замок, радио, электропривод сидений, реле стеклоподъемника
Автоматическая антенна и часы, сигнальная лампа и индикация состояния багажника, радио, тахометр и система предупреждения
Диагностический разъем, аварийная сигнализация, автоматическая антенна, радио, CD плеер, освещение багажника, система оповещения, часы, передний плафон освещения салона
Подсветка приборов и консолей, парковочные, задние, боковые габаритные и габаритные огни, система предупреждения
Подсветка комбинации приборов, подсветка центральной консоли, стеклоочиститель и омыватель фар, правые габаритные огни, освещение номерного знака
Правый габаритный фонарь Правый задний фонарь Фонарь освещения номерного знака Панель приборов Омыватели фар
Левый габаритный фонарь Левый задний фонарь
Левые габаритные огни, освещение номерного знака
Передние противотуманные фары, задний противотуманный фонарь
17 8А Правая фара ближнего света
18 8А Левая фара ближнего света
19 8А Предохранитель прикуривателя и свет в перчаточном ящике, радио и обогреватель заднего стекла, сдвижная крыша (при наличии: 16А)
20 16А Фары и стеклоочиститель / омыватель
21* 25А Вентилятор
22* 16А Подогрев сидений
A
Реле электропривода сидений Реле вентилятора (высокая скорость)
Блок предохранителей (электрорегулировка сидений)
Реле вентилятора (201.028/.034) Реле электропривода сидений Реле вентилятора (высокая скорость)
Реле очистителя фар Блок предохранителей противоугонной системы Реле электропривода сидений
Обогрев заднего стекла, таймер, стеклоочиститель и омыватель, аварийная сигнализация, указатели поворота
F Стеклоподъемники
G Вспомогательный вентилятор
H OVP
Дополнительное реле вариант 2 (mercedes 190 до 1991 года).

Стеклоподъемники, Электропривод сидений
K3 = Нагреватель впускного коллектора K8 / 1 = двойной дополнительный вентилятор K9 = дополнительный вентилятор K12 = Круиз-контроль, отсечка топлива
K12 / 1 = Круиз-контроль K17 / 1 = отсечка топлива K17 / 2 = отсечка топлива с отсечкой отсечки
Дополнительное реле вариант 3 (mercedes 190 после1991 года).

K24 = реле комфорта (США) F12 = дополнительный блок предохранителей, дополнительный нагреватель
F22 / 1 = дополнительный блок предохранителей, вентилятор, прицепное устройство, подогрев сидений (AHV / SIH)
K9 = дополнительный вентилятор K12 = Круиз-контроль, отсечка топлива
K3 / 1 = Нагреватель впускного коллектора (PSV)
Источник
Описание
Mercedes-Benz 190 W201 — люксовый автомобиль среднего класса D в кузове седан. На момент своего производства (1982-1993 г.в.), 190-й занимал место под старшим Mercedes-Benz E-Class и являлся младшей моделью в производственной гамме Мерседеса. В 1993 данный авто был снят с производства и его место занял всем известный Mercedes-Benz C-Class W202.
Среди конкурентов 190-го можно отметить такие авто, как Audi 80, BMW 3-Series E30 и другие.
По аналогиии с ближайшим конкурентом из Баварии, W201 комплектовался целым рядом всевозможных двигателей, как бензиновых, так и дизельных. Здесь встречаются как карбюраторные 2-х литровые 8-ми клапанные силовые установки, так и мощные 3.2 литровые 6 цилиндровые на версиях AMG. Не забыты и дизельные движки, как с турбиной, так и без нее.
Ниже можно найти технические характеристики двигателей Мерседес 190, их описание, проблемы и ремонт, моторное масло, тюнинг для городских условий, моторесурс и прочее.
Снятие крышки предохранителей
- Устанавливаем капот в ремонтное положение и фиксируем. Кто не знает капот на Мерседес 190 открывается в двух положениях, смотровое и ремонтное. Во время ремонтного положения капот поднят практически на 90º.
- Снимаем пластмассовую крышку возле нижнего замка крышки предохранителей. Под пластмассовой крышкой реле.
- Открываем нижний замок крышки.
- С помощью плоской отвертки открываем верхний замок крышки.
- Беремся за верхний и нижний замок и выводим крышку вниз, в сторону реле которое под пластмассовой крышкой.
- Устанавливается крышка в обратном порядке. Кому непонятно, смотрим видео урок ниже.
Коды обозначения цвета изоляции электропроводки
Для проводов приведены обозначения их сечения.
Если программа диагностики обнаруживает какое-то несоответствие сигнал датчика не вписывается в реальный диапазон или противоречит сигналу с другого датчика, отсутствует электропитание и т. Они объединены в группы по функциональному назначению сигналов. Построение электрических схем Прокладка проводов на схемах показана схематично.
При неисправном клапане или в отсутствии управляющего сигнала на обмотке клапана двигатель работать не будет, потому что давление топлива в аккумуляторе будет около бар, что недостаточно для открытия форсунок впрыска. Цветовая маркировка электропроводки: bl — blue синий gn — green зеленый rs — pink розовый ws — white белый x — braided cable экранированный кабель br — brown коричневый gr — grey серый rt — red красный hbl — light blue голубой y — high tension высоковольтный свечной провод el — cream сливочный, кремовый nf — neutral нейтральный, бесцветный sw — black черный hgn — light green светло-зеленый ge — yellow желтый og — orange апельсин, оранжевый vi — violet фиолетовый rbr — maroon бордовый На рис.
Построение электрических схем Прокладка проводов на схемах показана схематично. Структурная схема системы впрыска Common Rail приведена на рис. В табл.
Для обозначения деталей использованы принятые символы, при этом положение всех выключателей и контактов показано для неподвижного закрытого автомобиля с включенным стояночным тормозом. Если параметры эмиссии ОГ не вписываются в стандарты, необходимо проверить герметичность впускной и выпускной системы и провести тесты электронных компонентов системы впрыска. В табл.
Форма поиска

Окончание Таблица 2. Помимо этого контролируется состояние диагностического оборудования. Напряжение на выходе датчика изменяется в пределах 0,3. Обеспечивается проверка формируемых сигналов на логическую достоверность и соответствие реальному диапазону. Фары головного света с ксеноновыми лампами
Следующее далее цифровое обозначение позволяет по таблице определить, где данное соединение размещено в автомобиле. Дело в том, что в аварийном режиме если самодиагностика установит, что датчик FRP неисправен давление в аккумуляторе автоматически поднимается, например,на ХХ его величина будет около бар вместо поло- женных бар , двигатель начинает работать заметно «жестче». Цветовая маркировка электропроводки: bl — blue синий gn — green зеленый rs — pink розовый ws — white белый x — braided cable экранированный кабель br — brown коричневый gr — grey серый rt — red красный hbl — light blue голубой y — high tension высоковольтный свечной провод el — cream сливочный, кремовый nf — neutral нейтральный, бесцветный sw — black черный hgn — light green светло-зеленый ge — yellow желтый og — orange апельсин, оранжевый vi — violet фиолетовый rbr — maroon бордовый На рис.
Уровень эмиссии ОГ должен соответствовать стандарту Евро 2 для автомобилей до г. На схемах также представлены различия в зависимости от модификации и комплектации. Его величина должна быть около 5 В, если это не так, проверяют замок зажигания, предохранители F1, F3, блок реле обеспечения ЕСМ, соответствующие соединения и при необходимости возвращаются к проверке блока ЕСМ. Фары головного света с ксеноновыми лампами
Автоматическая коробка передач — как она работает?
https://youtube.com/watch?v=QrNJd0n8YP4
Электросхемы Mercedes-Benz W201
Общие сведения
Сигнализаторы, устройство освещения символов и внутреннее освещение: проверьте их функционирование.
Проверьте наружное освещение, при необходимости отрегулируйте фары.
Проверьте звуковой сигнал.
Проверьте на износ резиновые щетки стеклоочистителей.
Стеклоомыватель: проверьте функционирование, проверьте положение сопла, проверьте стеклоомыватель фар.
Проверьте регулирования угла наклона оптической оси фар.
Все потребители тока: проверьте их функционирование.
Замените резиновые щетки стеклоочистителей ветрового стекла.
Резиновые щетки стеклоочистителей фар: проверьте состояние.
Почистите телескопический стержень антенны.
Проверка функционирования сигнализаторов/наружного освещения
СИГНАЛИЗАТОРЫ
| Порядок выполнения | ||||
|
НАРУЖНОЕ ОСВЕЩЕНИЕ
| Порядок выполнения | ||
|
Проверка регулирования угла наклона оптической оси фар
| Порядок выполнения | |||
|
Очистка телескопического стержня антенны
Необходимые быстроизнашивающиеся детали: очищающая суконная ткань к телескопической антенне.
| Порядок выполнения | |||||
|
Видео про «Электросхемы» для Mercedes-Benz W201
Mercedes-Benz 190Е W201 разбор перетяжка салона KORCH’Ok 4
Восстановление проводки Mercedes 190E, тонна негодования на колхоз..
Система зажигания TSZ Mercedes W124 и W201 — работа
Unofficial International Mercedes-Benz 190 w201 Club & Forum
Клуб любителей Mercedes-Benz 190 в кузове w201
Текущее время: 19 мар 2021, 02:22
ДОБРО ПОЖАЛОВАТЬ! Темы Сообщения Последнее сообщение
СКАЖИ ВСЕМ ПРИВЕТ! Раздел для новичков.В этом разделе вы можете со всеми поздороваться и рассказать о себе. 66 7552 W201FE 25 янв 2021, 07:28
АВТОПАРК Темы Сообщения Последнее сообщение
FAQ | КЛАДЕЗЬ НАРОДНОЙ МУДРОСТИКвалифицированные советы владельцам автомобилей. Подфорум:Опции 286 6290 vlad&mers 09 фев 2021, 18:11 ФОТООТЧЕТЫ О ПРОДЕЛАННОЙ РАБОТЕАвторский раздел. Подробное описание ремонта, тюнинга собственными силами с комментариями и приложенными фото. 475 21207 vlad&mers 30 янв 2021, 16:54 РЕМОНТНАЯ ЗОНАОбсуждение и решение технических проблем, связанных с эксплуатацией автомобиля. Подфорумы:Двигатели, системы питания и зажигания, KE-Jetronic, Карбюратор, Дизельные системы впрыска, ЦПГ, ГРМ, КШП, Системы охлаждения, Альтернативные системы впрыска, Трансмиссия, Механическая коробка переключения передач, АКПП и все что с ней связано, Главная пара, шрусы и кардан, Кузов и салон, Тормозная система, Электрооборудование, Подвеска и рулевое управление, Отопление, вентиляция и кондиционирование воздуха салона., Дополнительные системы автомобиля. 11095 189096 AlexecI 08 мар 2021, 11:47 ФОТО НАШИХ АВТОФотографии наших Мерседесов и комментарии к ним, своего рода досье на автомобили. 944 67901 максW190 16 фев 2021, 08:19 ТЮНИНГОбвес, подвеска, резина, тонировка, увеличение мощности, кузовной тюнинг, установка аудио и т.п. Подфорумы:Диски/Шины, Тормоза, Кузов и салон, Подвеска, Двигатель, Выхлоп, Звук и электрика, Трансмиссия 1888 61557 Invictus 29 янв 2021, 15:57 ДОСКА ОБЪЯВЛЕНИЙПокупка, продажа, обмен автомобилей, запчастей и проч
Подфорумы:Продам запчасти для Mercedes 190 w201, ПРОДАМ автомобиль целиком, КУПЛЮ, Ремонт KE-Jetronic в Санкт-Петербурге, Барахолка по w124, Барахолка по 202, Внимание! Кидалы., Продам разное, ОБМЕН 266 3091 Borrisych&Kisa 15 мар 2021, 22:40 ПОЛЕЗНЫЕ АДРЕСА (автосервисы магазины заправки)Если вы удачно отремонтировали автомобиль и хотите посоветовать мастера одноклубникам или наоборот, если вас надули, что-то втюхали или что-то некачественно сделали, пишите сюда! Не забудьте отметить: «+» полезно, «-» бесполезно. 229 2355 Borrisych&Kisa 19 фев 2020, 23:09
ОБЩЕНИЕ ЧЛЕНОВ КЛУБА Темы Сообщения Последнее сообщение
- ОБЩЕНИЕ НА РАЗЛИЧНЫЕ ТЕМЫОбщение на различные темы 8139 330699 noise Вчера, 22:40
- МЕРСОТУСОВКИВстречи членов клуба W201CLUB на просторах союзных государств. 617 23275 Borrisych&Kisa 14 мар 2021, 15:17
- ШУТИМ И СМЕЕМСЯЮмористический раздел. Здесь можно поделиться свежей историей или анекдотом, а также забавными фото. 1533 23950 Модосав 15 мар 2021, 20:27
- АВТОПУТЕШЕСТВИЯПутешествия на автомобиле. Поиск попутчиков, отзывы о кафе, отелях и прочих придорожных заведениях. Где и как лучше проехать. Местные достопримечательности, фотоотчеты. 227 3924 Borrisych&Kisa 17 фев 2020, 23:32
- АВТОЛЮБИТЕЛИ И ЗАКОНПравовая информация, рассматриваем юридические случаи. 262 4498 Костя1990 29 май 2020, 12:28
- ПАРТНЕРСТВО И СОТРУДНИЧЕСТВО ЧЛЕНОВ КЛУБАКто кем работает, у кого какие возможности. 242 2078 Borrisych&Kisa 17 фев 2020, 21:03
- КОНТАКТЫ УЧАСТНИКОВ ФОРУМАТелефон, адрес, информация о себе. 109 918 Михась 25 май 2019, 00:09
- ЛОГОТИП, ВИЗИТКИ, ФЛАГИ, НАКЛЕЙКИ, РУБАШКИ, ФУТБОЛКИ, КЕПКИ клуба w201club.com(применение, исходники, украшение раб. стола) 65 2013 mercianin 01 мар 2021, 22:03
- ПОЛЕЗНЫЕ ССЫЛКИЕсли вы встретили в сети интересный и толковый сайт, напишите здесь отзыв о нем и не забудьте оставить ссылку. 181 1100 zibsemen 09 дек 2020, 01:03
ДРУГИЕ НАШИ АВТО Темы Сообщения Последнее сообщение
- ЭКСПЛУАТАЦИЯ w202 & w203 & w204 & w208 & w209Общие вопросы по эксплуатации. Подфорумы:ТЕХНИЧЕСКИЕ ВОПРОСЫ, ФОТО НАШИХ w202 174 8651 vlad&mers 26 янв 2021, 17:36
- W124 ЭКПЛУАТАЦИЯВсе что вы хотели знать о 124 кузове, но боялись спросить. Подфорумы:ТЕХНИЧЕСКИЕ ВОПРОСЫ, ФОТО НАШИХ W124 88 5943 Daniel 17 апр 2019, 13:04
- КРЕДИТВАГЕНЫВсевозможные фокусы, рено, мазды и прочее. Подфорум:Фотографии кредитвагенов 41 3573 mrSurkoff 14 мар 2019, 12:08
Кто сейчас на конференции
Всего посетителей: 102, из них зарегистрированных: 2, скрытых: 0 и гостей: 100 (основано на активности пользователей за последние 5 минут)Больше всего посетителей (405) здесь было 16 май 2020, 18:34
Зарегистрированные пользователи: Google , Majestic-12 Легенда: Администраторы
Статистика
Всего сообщений: 778217 • Тем: 26997 • Пользователей: 3621 • Новый пользователь: sashka20125
Источник статьи: http://www.w201club.com/forum/index.php?showtopic=13875
Основной блок предохранителей в салоне bmw e53
В салоне главный блок предохранителей и реле находятся в бардачке (перчаточный ящик) за защитной крышкой. Что бы получить к нему доступ, надо открыть бардачок.
p, blockquote 4,0,0,0,0 —>

p, blockquote 5,0,0,0,0 —>
Далее, отжать 2 клипсы крепления задней пластиковой крышки (слева и справа).
p, blockquote 6,0,0,0,0 —>

p, blockquote 7,0,0,0,0 —>
Появится примерно такой блок, где все предохранители расположены в 2 ряда. Третий горизонтальный ряд — запасные элементы.
p, blockquote 8,0,0,0,0 —>

p, blockquote 9,0,0,0,0 —>
На крышке обычно крепится пинцет для предохранителей и брошюра с обозначением.
p, blockquote 10,0,1,0,0 —>
Общая схема расположения
p, blockquote 11,0,0,0,0 —>

p, blockquote 12,0,0,0,0 —>
Таблица с описанием
p, blockquote 13,0,0,0,0 —>
| 1 | 5А Разъем шины данных, комбинация приборов |
| 2 | 5А Блок управления освещением |
| 3 | 5А Система отопления/ кондиционирования(02/01) |
| 4 | 5А Реле катушки зажигания |
| 5 | 7,5А Генератор, датчик уровня моторного масла, электродвигатель вентилятора охлаждения блока предохранителей /реле |
| 6 | 5А Внутреннее зеркало заднего вида, блок управления системой парковки (02/04), блок управления системы контроля давления в шинах |
| 7 | 5А Реле катушки зажигания |
| 8 | 5А Подсветка комбинации приборов |
| 9 | 5А Система SRS, выключатель стоп-сигналов (датчик положения педали тормоза), блок управления освещением |
| 10 | 15А Звуковой сигнал |
| 11 | 5А Иммобилайзер |
| 12 | 5А Подсветка комбинации приборов, датчик положения рулевого колеса |
| 13 | 5А Противоугонная система, внутреннее зеркало заднего вида |
| 14 | 5А Много функциональный блок управления 1 |
| 15 | 5А Блок управления системы контроля давления в шинах (02/04) |
| 16 | 5А Замок зажигания |
| 17 | 5А блок управления освещением салона |
| 18 | — |
| 19 | — |
| 20 | 30А Блок управления электро оборудованием двери водителя |
| 21 | 30А Электропривод сидений |
| 22 | — |
| 23 | — |
| 24 | 30А Блок управления электро оборудованием двери пассажира |
| 25 | 25А Разъем зарядки, прикуриватель |
| 26 | 30А Реле основных цепей зажигания |
| 27 | 20А Много функциональный блок управления 1 |
| 28 | 30А Омыватели фар |
| 29 | 10А Подушка безопасности |
| 30 | — |
| 31 | 5А Управление двигателем |
| 32 | 5А Реле основных цепей, много функциональный блок управления 2 |
| 33 | 5А Предохранитель прикуривателя |
| 34 | 7,5А Обогреватель заднего стекла, отопитель /кондиционер |
| 35 | — |
| 36 | 5А Разъем зарядки |
| 37 | 5А Много функциональный блок управления 2 |
| 38 | — |
| 39 | 5А Концевой выключатель (датчик положения) педали сцепления, иммобилайзер |
| 40 | 30А Очиститель лобового стекла |
| 41 | 5А Очиститель/ омыватель заднего стекла, многофункциональный блок управления 1 |
| 42 | 5А Лампы освещения салона |
| 43 | 5А Комбинация приборов |
| 44 | 5А Система SRS, электропривод сидений |
| 45 | 5А Комбинация приборов |
| 46 | 7,5А Блок управления раздаточной коробкой |
| 47 | 25А Реле топливного насоса |
| 48 | 7,5А Отопитель/ кондиционер |
| 49 | — |
| 50 | — |
| 51 | 10А Анти блокировочная система тормозов (ABS), система управления двигателем |
| 52 | 15А Диагностический разъем (DLC) (^>09/00) |
| 53 | 25А Много функциональный блок управления 2 |
| 54 | 15А Электронный блок управления КПП |
| 55 | 30А Анти блокировочная система тормозов (ABS) |
| 56 | — |
| 57 | 15А Блок управления под веской |
| 58 | 20А Люк |
| 59 | 20А Дополнительный отопитель |
| 60 | 30А Много функциональный блок управления 1 |
| 61 | 50А Электродвигатель вентилятора системы охлаждения |
| 62 | 50А Реле насоса системы подачи воздуха навыпуск |
| 63 | 50А Анти блокировочная система тормозов (ABS) |
| 64 | 50А Отопитель/ кондиционер |
Полное фото блока
p, blockquote 15,0,0,0,0 —>

Как видно из фотографии, сверху данного блока располагаются реле и дополнительные предохранители. Вот общая схема.
p, blockquote 16,0,0,0,0 —>

p, blockquote 17,0,0,0,0 —>
Расшифровка
p, blockquote 18,0,0,0,0 —>
| 1 | Реле подкачивающего топливного насоса — Дизель |
| 2 | — |
| 3 | блок управления освещением салона |
| 4 | Реле звукового сигнала |
| F103 | — |
| F104 | (10А) Свечи накаливания |
| F105 | (80А) Иммобилайзер, замок зажигания- 4,4/4,6(02/02) |
| F106 | (50А) Замок зажигания, блок управления освещением |
| F107 | (50А) Блок управления освещением |
Предохранители и блоки реле бмв е60 со схемами и расшифровками на русском языке
Следующей модификацией BMW 5 series после E39, стала E60. Автомобиль выпускался в 2003, 2004, 2005,2006, 2007, 2008, 2009 и 2010 году в двух вариантах кузова: седан (E60) и универсал (E61). Мы рассмотрим схемы блоков реле и предохранители бмв е60, а так же предоставим полное руководство по эксплуатации.
Запасные предохранители и пластмассовый пинцет должны находятся в комплекте шоферского инструмента. Спецификация предохранителей для Вашего автомобиля находится в багажном отсеке за правой боковой крышкой.
Блок предохранителей и реле под капотом BMW E60
Находится в моторном отделении ближе к лобовому стеклу.
Общая схема элементов блока
Описание
| 1 | Электронный блок управления двигателем |
| 2 | — |
| 3 | Реле блока управления высотой подъема клапана |
| 4 | Реле обогревателя системы вентиляции картера |
| 5 | Реле электродвигателя очистителя лобового стекла |
| 6 | Реле насоса системы подачи воздуха навыпуск |
| 7 | Реле системы управления двигателем |
| F1 | (30А) Управление двигателем |
| F2 | (30А) Управление двигателем |
| F3 | (20А) |
| F4 | (30А) |
| F5 | (30А) Управление двигателем |
| F6 | (10А) Управление двигателем |
| F7 | (40А) Управление двигателем |
| F8 | (30А) |
| F10 | (5А) Обогреватель системы вентиляции картера |
Основной блок предохранителей в салоне бмв е30
Он находится за вещевым ящиком (еще его могут называть бардачком). Для доступа необходимо открыть 2 фиксатора и сдвинуть защитную крышку.
Внешне выглядеть должно так.
Слева вверху должна располагаться брошюра с точным описанием предохранителей.
Подробное описание (нумерация с лева на право, одни из вариантов)
| F1 | (50А) Электронный блок управления ABS |
| F2 | (60А) |
| F3 | (40А) Резистор электродвигателя вентилятора отопителя |
| F4 | — |
| F5 | (50А) Блок управления освещением |
| F6 | (50А) Блок управления освещением |
| F7 | (50А) |
| F8 | (60А) |
| F9 | (60А) |
| F10 | (30А) |
| F11 | (5А) |
| F12 | (30А) |
| F13 | (30А) Блок управления раздаточной коробкой |
| F14 | (30А) Электропривод сиденья |
| F15 | (5А) |
| F16 | (30А) Реле электродвигателя очистителя лобового стекла |
| F17 | (5А) Блок управления электрооборудованием рулевой колонки |
| F18 | (30А) |
| F19 | — |
| F20 | (20А) Дополнительный отопитель |
| F21 | (30А) Электропривод сиденья |
| F22 | (30А) |
| F23 | — |
| F24 | (30А) |
| F25 | (30А) Электронный блок управления ABS |
| F26 | (20А) — |
| F27 | (30А) |
| F28 | (20А) Блок управления электрооборудованием рулевой колонки |
| F29 | (10А) |
| F30 | (20А) Топливный насос |
| F31 | (30А) Электропривод сиденья |
| F32 | (10А) |
| F33 | (30А) Электропривод сиденья |
| F34 | (20А) Мультимедийный блок управления |
| F35 | (5А) Система навигации |
| F36 | (7,5А) |
| F37 | (5А) Телефон |
| F38 | (5А) CD-чейнджер |
| F39 | — |
| F40 | (10А) DVD-чейнджер |
| F41 | (7,5А) Блок управления комбинацией приборов |
| F42 | — |
| F43 | — |
| F44 | — |
| F45 | — |
| F46 | — |
Второй вариант
Блок реле и предохранителей в багажном отделении
Он находится с правой стороны под обшивкой. Для доступа надо снять защитную крышку. Если необходимо, перед этим отцепите страховочный ремень.
Реальное фото блока в багажном отделении бмв е60
Оригинальное описание выглядит примерно так.
Таблица с расшифровкой
| Реле контроля силы тока аккумуляторной батареи | |
| 50 | 30А насос омывателя фар |
| 51 | 5А |
| 52 | 40А Реле компрессора активной подвески |
| 53 | 30А Электропривод передних сидений |
| 54 | 40А Обогреватель заднего стекла |
| 55 | 40А Блок управления приводом открывания/ закрывания задней двери |
| 56 | 5А Датчик дождя/ солнечного света |
| 57 | 5А Блок управления электродвигателем вентилятора кондиционера/ отопителя |
| 58 | 20А Очиститель заднего стекла |
| 59 | 5А Усилитель сигнала антенны |
| 60 | — |
| 61 | 7,5А Холодильник, предохранитель прикуривателя (до 09-2005) |
| 62 | 30А Блок управления электрооборудованием прицепа |
| 63 | 20А Дополнительный отопитель |
| 64 | 15А Блок управления электродвигателем вентилятора кондиционера/ отопителя |
| 65 | — |
| 66 | 20А Блок управления электроприводом люка |
| 67 | 10А |
| 68 | 5А |
| 69 | 5А Блок управления системой парковки |
| 70 | 10А Датчик дистанции до препятствия (адаптивная система поддержания скорости) |
| 71 | 30А Многофункциональный переключатель в сборе |
| 72 | 20А 8цил. бензин: Реле топливного насоса |
| 73 | 30А 09/07: Усилитель выходного сигнала аудиосистемы |
| 74 | 10А |
| 75 | 10А |
| 76 | 10А |
| 77 | 10А Главный дисплей |
| 78 | 5А |
| 79 | 10А |
| 80 | 10А |
| 81 | 7,5А |
| 82 | 7,5А Блок управления системы контроля давления в шинах |
| 83 | 30А Электропривод передних сидений |
| 84 | 15А |
| 85 | 7,5А |
| 86 | 40А Усилитель рулевого управления |
| 87 | 20А Предохранитель прикуривателя (после 09-2005) |
| 88 | 20А |
| 89 | 5А Внутреннее зеркало заднего вида с автозатемнением |
Проверьте наличие отдельного блока около аккумуляторной батареи на 2 элемента предохранителей с высоким номиналом:
- F92 (100А) — дополнительный электрический отопитель;
- F90 (200А) — блок предохранителей расположенного в приборной панели.
Дополнительная информация
Вот тут можете скачать полную инструкцию по эксплуатации БМВ Е60 в формате PDF, если не нашли ответ на свой вопрос.
Возможно, полезно будет ознакомится с примером замены реле бензонасоса.
vsepredohraniteli.ru
История создания
Создание это модели было обусловлено тем, что компания Mercedes-Benz после нефтяного кризиса 1973 года испытывала серьезные финансовые трудности. Для марки, выпускающей классические люксовые модели автомобилей, остро встал вопрос о необходимости создания более компактного и экономичного авто. И в 1982 году на свет появилась первая такая модель — Mercedes-Benz с индексом 190 (W201). Благодаря 190-ому, Mercedes быстро захватил лидерство среди автомобилей подобного типа (европейский сегмент D). Главным его конкурентом стал BMW 3-ей серии.
Относительная дешевизна базовой модели сделала ее очень популярной и по-настоящему массовой, настолько, что это даже создавало внутрибрендовую конкуренцию с автомобилями Mercedes более высокого класса. Спортивный седан был особенно востребован в кругах молодежи.





























